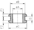
Durchführungstüllen mit Langloch DO 44